SVARFORUM.cz - forum o svářečkách a svařování


Chcete-li přispívat do fóra, musíte se zaregistrovat !


Navštivte také:      SVAR INFO
Reklama na SVARFORUM

Nejste přihlášen(a)

SVARINFO - magazín o praktickém svařování


#126 23-12-2022 14:20:08

JaroslavPavel
Člen
Registrovaný: 03-07-2017
Příspěvky: 399

Re: ESAB LKA 180

V#124 habaso chcete abych postiženou desku pomohl opravit?
Když jsem se díval na polohu postiženého stroje , tak Vaše i moje vzdálenost od místa události je s rozdílem cca 20km stejná .

Co jsem se z jednotlivých příspěvků nedozvěděl , je zda má pán nějaký měřící přístroj a zda s ním umí zacházet . Snad jedině při identifikaci vadného MOSFETu , ale ten měl být i nafouklý , takže identifikace měřením pochybná .
Taky se mi zdá při čtení těch příspěvků , že oprava nějaké elektroniky je záležitost kterou každý zvládne , jenom se nebát . Takže je dobré když si nositelé takových názorů vyzkouší tu jednoduchost oprav .
Pak možná přijdou k názoru , že je přeci jenom nutné k těm opravám něco vědět .
Od pana majitele vadného zařízení zatím není vidět snaha o opravu . Už podle vyletování tří nožiček MOSFETu je patrné , že se mu podařilo odlepit plošné spoje na desce . Co více dodat ?

jinak...bychom mohli (( a to si rozmyslím )a taky si musím zopakovat jak se píší texty na toto fórum.)
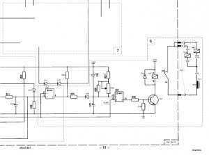
není jasné , a na fóru jsem neviděl , zda je nebo není od uvedené desky schéma ,
pokud je tam LM 324, tak by měly být rozkresleny čtyři zesilovače v nějakých funkcích ...o dvou tam hovořil někdo jako o komparátorech ( nebo to snad myslel celý obvod jako komparátor ) ale pak tam chybí zesilovač odchylky .
V textu na fóru nebo který mám odjinud je , že dva operační zesilovač jsou použity pro předfuk a dofuk plynu , takže o dvou operácích nic není známo .( víme však , že i v obvodě SG 2524 jsou dva zesilovače odchylky  )


varok ... uvedl , že v Ostravě jsou nějaké možnosti servisu . Taky je tam v těch končinách v Dětmarovicích pán co tuto techniku ovládá a to je cca 40km od místa poruchy

Jinak Vám přeji příjemné svátky a vše co k nim náleží .

Editoval JaroslavPavel (23-12-2022 16:48:43)

Offline

 

#127 23-12-2022 14:33:14

habaso
Člen
Registrovaný: 12-06-2020
Příspěvky: 149

Re: ESAB LKA 180

JaroslavPavel napsal(a):

V#124 habaso chcete abych postiženou desku pomohl opravit? Když jsem se díval na polohu postiženého stroje , tak Vaše i moje vzdálenost od místa události je s rozdílem cca 20km stejná .

Já to nemyslel nijak zle. smile Jen mě už někdy včera zaujalo, že máte k dispozici jak foto té desky, tak identifikaci IC na ní a tak jsem se šel podívat, co jiného jste sem do webu psal a viděl jsem zmínky o nákupech součástek v Ostravě. Pokud jste někde na západ od Prahy jako já, tak je to samozřejmě nesmysl. Já bych klidně zajel do těch Olbramovic u Vrchotových Janovic, počkal bych na sníh a pak to spojil s návštěvou zasněženého zámeckého parku Sidonie Nádherné co máme moc rádi i s polovičkou, ale do Ostravy to nedám smile

Jinak já jsem pána od začátku posílal za někým, kdo umí zacházet s osciloskopem. smile

A zpět k majiteli svářečky, pokud nenajde, stále platí má nabídka, že to udělám, pokud mi pošle desku poštou. A ne, nedělám podobné věci za peníze, nebude to za peníze a neudělám to tedy "na počkání", pár dní to potrvá, ale udělám to případně už jen kvůli tomu shitstormu co tu někteří na začátek proti mně rozpoutali smile smile smile

JaroslavPavel napsal(a):

pokud je tam LM 324, tak by měly být rozkresleny čtyři zesilovače v nějakých funkcích

Jsou tam ve schématu 3 dva jsou u dofuku

http://www.svarforum.cz/forum/uploads/thumbs/9713_acrobat_i3i8rkqkzu.jpg

a jeden obsluhuje mikrospínač u hořáku

http://www.svarforum.cz/forum/uploads/thumbs/9713_acrobat_svvqsgbh0u.jpg

Ten 4. může být v tom bloku 7 co obsahuje i PWM driver a co bez desky v ruce nevymyslíme smile

Editoval habaso (23-12-2022 14:53:28)

Offline

 

#128 23-12-2022 14:39:57

Radim
Člen
Místo: Severní Morava
Registrovaný: 17-12-2008
Příspěvky: 4746

Re: ESAB LKA 180

Hm,  někde na začátk u se mi  dostalo do povědomí  SG 3525 a pak  už  jsem  to opisoval  dál. Jestli jsem někoho  popletl,  tak  se omloivám. SG3524 je poněkud jiný,  na menší  výkony a blokovým zapojením víc se podobá  TL494. Ale kompatibilní  s ním  asi  moc nebude.

Offline

 

#129 23-12-2022 15:02:56

JaroslavPavel
Člen
Registrovaný: 03-07-2017
Příspěvky: 399

Re: ESAB LKA 180

Pane habaso, Vám nic nezazlívám .

Pouze o majiteli nevíme co umí u té desky změřit , aby to mělo váhu skutečně naměřené hodnoty . 

Ani fotku toho zařízení - desky sem nedal , takže se ani nemůžeme bavit nad stejným obrázkem .


Pane, kde nalezu příkazy pro psaní textů na fóru, nějak jsem to zapomněl , někde to mám uložený , ale právě nevím kde . Jdu hledat .

Editoval JaroslavPavel (23-12-2022 17:26:05)

Offline

 

#130 23-12-2022 15:08:44

habaso
Člen
Registrovaný: 12-06-2020
Příspěvky: 149

Re: ESAB LKA 180

JaroslavPavel napsal(a):

Pane habaso,Pane, kde nalezu příkazy pro psaní textů na fóru, nějak jsem to zapomněl , někde to mám uložený , ale právě nevím kde .

Když kliknete u příspěvku na link citace, tak vám to udělá to, co vidíte na obrázku

http://www.svarforum.cz/forum/uploads/thumbs/9713_chrome_9sxeeopypw.jpg

Tedy tu citaci. A jak vidíte dole pod tím je BBCode: on, tedy funguji i příkazy BBCode, tedy já sem dával jen bold - tedy https://www.bbcode.org/bold-strong-text-with-bbcode.php

Editoval habaso (23-12-2022 15:10:41)

Offline

 

#131 23-12-2022 15:12:27

Charon
Člen
Místo: Praha
Registrovaný: 17-08-2014
Příspěvky: 1709

Re: ESAB LKA 180

JaroslavPavel napsal(a):

.....zda je nebo není od uvedené deky schéma ,
pokud je tam LM 324, tak by měly být rozkresleny čtyři zesilovače v nějakých funkcích ...o dvou tam hovořil někdo jako o komparátorech ( nebo to snad myslel celý obvod jako komparátor ) ale pak tam chybí zesilovač odchylky .
V textu na fóru nebo který mám odjinud je , že dva operační zesilovač jsou použity pro předfuk a dofuk plynu , takže o dvou operácích nic není známo .( víme však , že i v obvodě SG 2524 jsou dva zesilovače odchylky  )
......

No a v tom je ta potřeba někoho, kdo elektronice rozumí. Zatím sem nikdo nedal schéma a nejspíš ani neviděl rozkreslenou řídící část. V servisním manuálu je to black box do kterého vede signál informující o proudu, jak jste psal o napětí 1,1V na odporu R4. Z black boxu jde  řídící signál na Gate IRF540, + je tam pár dalších signálů které se dají odhadnout podle okolí. Pak tušíme díky Vám, že uvnitř black boxu je SG 2524 a LM324.

Bohužel se ukázalo, že bez elektro znalostí toho kdo bude mít desku v ruce jde o marnou snahu. A majitel ty znalosti nemá.

Offline

 

#132 23-12-2022 16:08:18

Radim
Člen
Místo: Severní Morava
Registrovaný: 17-12-2008
Příspěvky: 4746

Re: ESAB LKA 180

A nějaký  komparátor musí  taky ovládat  brždění motorku,  tranzistor Q3.
Na zesilovač  odchylky by měl  stačit komparátor uvnitř SG 3524.

Offline

 

#133 23-12-2022 17:13:32

JaroslavPavel
Člen
Registrovaný: 03-07-2017
Příspěvky: 399

Re: ESAB LKA 180

#132 Radim...
Je možné pro řízení brzdících obvodů použít komparátor a ten lze z operačního zesilovače v pouzdru  LM324 udělat pomocí kladné zpětné vazby ( pokud budu chtít aby měl komparátor hysterezi ),
jinak lze vyrobit komparátor stejně tak jak se nastavuje u NE555 pouze předpětím , tedy pomocí děliče napětí na kladném nebo záporném vstupu operačního zesilovače . Hodnota toho předpětí pak určuje na jaké napětí bude komparátor reagovat ( větší než ) a podle polarity vstupu, na který pak přivádím sledované napětí  pak vykoná funkci operační zesilovač   sepnutí nebo rozepnutí výstupu.

Proč by se   u obvodu SG2524 používal ještě komparátor , když obvod sám generuje mrtvý čas a potom signál opačné polarity než je potřeba pro sepnutí hlavního spínacího ( výkonového ) tranzistoru .

komparátor mrtvý čas nebude generovat a hrozí pak kolize řídícího obvodu pro pohon motoru a brzdícího obvodu pro brzdu , kdy sepnou oba tranzistory ve stejném čase a nastane zkrat jejich obvodů a tedy i celého napájecího zdroje .

Potřebujeme aby deed time ( mrtvý čas fungoval ) a prvně se vypl MOSFET a se zpožděním o délce mrtvého času aby sepl brzdící obvod .
Takže řešení tohoto časování obvodů by mělo být čitelné z desky regulátoru , kdy autoři mívají tento problém kvalifikovaně vyřešen.

Takže opět jsme v pozici == je potřeba schéma desky .
Doposud totiž nevíme , zda je MOSFET buzen na plný výkon z SG 2524 nebo je vada ve zpětné vazbě otáček zesilovače odchylky a SG 2524 dostává požadavek na plné obrátky a ten požadavek plní .

K tomu však chybí měření řídícího signálu a signálu zpětné vazby do toho neurčeného operačního zesilovače regulační odchylky .

k tomu by byla zapotřebí spolupráce majitele ---kdy by něco naměřil , pokud to trochu umí .



Jinak děkuji za odkaz na syntaxi těch kódů.
Já jich mám zapsaných jenom pár v poznámkovém sešitě.

Editoval JaroslavPavel (23-12-2022 17:33:10)

Offline

 

#134 23-12-2022 17:38:27

JaroslavPavel
Člen
Registrovaný: 03-07-2017
Příspěvky: 399

Re: ESAB LKA 180

O tom , že opravu lze provést na dálku  se můžete přesvědčit zde :



https://www.svarforum.cz/forum/viewtopi … 84&p=5

V příspěvcích #102,  #103,  #104,  #105 ,  je doložena oprava stroje PP315  na Slovensku po telefonu a emailovým návodem . Tedy vzdálenost jistě větší než je dnešní vzdálenost Olbramic .

Spolupracující osoba byl vzděláním silnoproudař . Uměl měřit univerzálním měřidlem . Stačilo to .

Editoval JaroslavPavel (23-12-2022 17:49:54)

Offline

 

#135 23-12-2022 18:10:56

habaso
Člen
Registrovaný: 12-06-2020
Příspěvky: 149

Re: ESAB LKA 180

JaroslavPavel napsal(a):

O tom , že opravu lze provést na dálku  se můžete přesvědčit zde.

To nikdo nerozporuje, ale než vůbec bude dávat smysl něco měřit, chce to natrénovat vyjmutí a zapájení součástky. Když měď na PCB nedala vyjmutí MOSFETu, tak si představte co výměna IC v DIP16 pouzdře. Takže pokud na dálku a s majitelem, tak musíme začít tréninkem řemeslné zručnosti při pájení a odpájení.

A jinak v tuto chvíli bych já osobně vyměnil jak oba IC, tak oba silové tranzistory a i ty výkonné odpory. Vycházejí v nákupu na zlomek toho, co stojí hodina času práce, takže nemá smysl v desce ponechávat součástky, co z nich tepelným přetížením zmizely nápisy. A spolu s nimi přeměřit v desce všechny polovodiče a i všechny kondenzátory a všechny rezistory. A nesouhlasející vyměnit. Pak teprve bych cokoliv přeměřoval.

Postupuje se tak běžně při opravách spínaných zdrojů (kde jako první před polovodiči odchází elektrolytické kondenzátory pro tepelné namáhání při frekvencích spínání co tam jsou). Když už to máte v ruce a desku vyndanou, vždy měníte elektrolyty za nové a kvalitnější úplně všechny a vůbec u toho nepřemýšlíte. Protože kdo má závadu za pár měsíců hledat znovu...

Editoval habaso (23-12-2022 18:13:02)

Offline

 

#136 23-12-2022 18:59:20

JaroslavPavel
Člen
Registrovaný: 03-07-2017
Příspěvky: 399

Re: ESAB LKA 180

Pane,
pracoval jsem skoro 15let s pánem , co prováděl opravy tak jak popisujete . Pocházel z rodiny co vlastnili radioopravnu a myslím i prodejnu elektrospotřebičů.
Dnes už není mezi námi .
Vzhledem k tomu , že to byl člověk před důchodem , tak už s ním nemělo cenu co dělat , ale Vy sytém výměnkáře nepotřebujete , vy umíte poznat kdy je součástka vadná a tedy kromě měření na ni nebudete sahat .

Neexistuje vyletovávat součástku z desky dokud o ní nevím , že je vadná. !!!!!!  A už vůbec ne integrované obvody , když vidím , že motor sice jede na plno , ale je řízen , tedy že v SG2524 běží generátor rampy a jiné signály o stavu SG obvodu .
O tomto mém tvrzení se musím přesvědčit a to buď prověrkou pouze MOSFETu a nebo MOSFETu dohromady i s SG 2524.
Od toho mám nyní katalogový list součástky , kdy najdu takový údaj , který mi ovlivňuje funkci a provede vypnutí jednoho nebo obou prvků .

Když provedu tuto zkoušku , tak ta mi řekne zda je vadný MOSFET ...nebude reagovat na žádný signál tato dvojice obvodů a nebo je vadný SG , ale to pak nebudu vidět na vývodu ( rampa ) přímkový signál o kmitočtu 3225,8 Hz . I když nepojede rampa ještě není sg vadný , ale musím prověřovat funkce jednotlivých operáků uvnitř a případně logických obvodů , až ani ty nebudou reagovat , pak proměřím V-A charakteristiku , tyto obvody mají při rozběhu měřitelnou hysterezi a tu tam musím najít , nebo nalezu destrukci obvodu ...pak jej mohu vyndat z PCB.

Jinak neexistuje něco vyletovávat z desky ...
Například ten obvod SG 2524 je natolik chráněn proti "blbosti "

Editoval JaroslavPavel (23-12-2022 21:03:45)

Offline

 

#137 23-12-2022 19:42:13

habaso
Člen
Registrovaný: 12-06-2020
Příspěvky: 149

Re: ESAB LKA 180

JaroslavPavel napsal(a):

Neexistuje vyletovávat součástku z desky dokud o ní nevím , že je vadná. !!!!!!

Nesouhlasím, jak jsem dohledával linky výše při objednání z TME.EU

SG3524N        15.84 Kč
LM324N            6.58 Kč
IRF540NPBF    29.28 Kč

Ty výkonové rezistory budou např. při 20W kolem 20-30Kč

Vše bez DPH

Neexistuje, že bych nevyměnil součástky, o nichž vím, že byly vystaveny tepelnému namáhání na něž nejsou stavěné, když jejich celková hodnota je do 150Kč a já to dělám v zařízení, jehož jenom rozebrání a složení mě stálo 10x tolik.

(člověk, co to dokáže rozebrat, rozpojit, diagnostikovat a pak složit a zapojit mě stojí minimálně 40-60 tisíc měšíčně na jeho hrubé mzdě, plus 0.35 x těch 40-60 je za něj placené sociální a zdravotní, tedy 81 tisíc měsíčně jsou jen mzdové náklady, plus musí mít nějaké vybavení a musí to někde dělat, kde se topí a svítí, což dá dohromady ještě jednou tolik, tedy cena jeho práce musí být někde nad 1 000 Kč za hodinu)

Takže to hodinu rozebíráte, pak hodinu skládáte a mezitím místo výměny hned pracně hledáte chybu, abyste ušetřil 50kč někde, kde už jen teď jste za 3 000, protože hodina rozborka svářečky, deska ven, hodinu servis té desky, hodinu sborka svářečky, deska dovnitř. A tohle Vy tvrdíte, že dává smysl riskovat, že budete opakovat za blíže neučený čas kvůli úspoře několika desetikorun za součástky. Ne nedává to sebemenší smysl a teď je správné vyměnit oba výkonné tranzistory, oba IC, oba výkonné rezistory a pak teprve má smysl začít přeměřovat ostatní součástky, která je špatná. smile

Offline

 

#138 23-12-2022 19:45:03

Famater
Člen
Místo: Hradec Králové
Registrovaný: 24-01-2012
Příspěvky: 5003

Re: ESAB LKA 180

Ono to je OT, za to se omluvám předem, ale musím reagovat na odsouzení připojení PE na hrot páječky. Světe div se, ale na dvou pájecích stanicích co mám doma je hrot připojený na PE. To se týká i páječky 50W a vytápěné odsávačky. Tak nevím, proč by mělo vadit připojení na PE také hrotu trafopájky. Na PE také připojuji náramek a podložku (obě přes 1M odpor) kdy ho pro jistoto použiji. Už s tím dám pokoj.


TP1500, KITin 170LA, JLT250 ACDC,vodní chlazení vl. výroby, hořák SR18, Binzel SR26 s pot., Plasma CUT55, autogen PB-kyslík
Křemíková 3fáz 200A vl. konstrukce

Offline

 

#139 23-12-2022 20:02:36

Joe66
Člen
Místo: Vranov nad Toplou-Presov
Registrovaný: 20-04-2010
Příspěvky: 1667
Web

Re: ESAB LKA 180

No niekedy su starsie suciastky fakt rokmi ,,unavene,, a treba ich vymenit to ma Habaso pravdu. Lenze zase aj Jaroslav ma pravdu,ze  niekedy sa treba  radsej riadit heslom,ze ,,nestuchaj do h.o.v.n.a ked nesmrdi,,  . Cize niektore stare napriklad odpory alebo diody,ci kondiky  vydrzia  dlhsie ako novsie znackove -drahsie  big_smile  Co je na hlavu  . Taka doba


Kutil s.r.o.

Offline

 

#140 23-12-2022 20:05:31

E-Ryc
Člen
Místo: Praha / Horazdovicko
Registrovaný: 08-09-2020
Příspěvky: 820

Re: ESAB LKA 180

Famater> A nebude problem v tom, ze u vsech ostatnich pajecek neni hrot vodive spojen se sekundarem? Zatimco u trafo ano, takze tim pripojenim na PE(N) jsi efektivne zrusil dvojitou izolaci te trafopajky a vyrobil vicemene (galvanicky neizolovany) autotransformator -  pres "elektrarnu" spojene primarni a sekundarni vinuti?
Ale jen hadam.

Editoval E-Ryc (23-12-2022 20:08:00)


IDEAL Tecnomig 212 LCD, Fronius TransPocket 150, IDEAL EXPERT TIG 220 AC/DC PULSE LCD, Ideal Praktik 220 LCD (v pořadí podle četnosti používání)

Offline

 

#141 23-12-2022 20:10:32

Famater
Člen
Místo: Hradec Králové
Registrovaný: 24-01-2012
Příspěvky: 5003

Re: ESAB LKA 180

Ale, když je sekundár připojen na PE (pohyblivý přívod musí být se samostatným ochr. vodičem), pak už dvojitá izolace není potřeba.


TP1500, KITin 170LA, JLT250 ACDC,vodní chlazení vl. výroby, hořák SR18, Binzel SR26 s pot., Plasma CUT55, autogen PB-kyslík
Křemíková 3fáz 200A vl. konstrukce

Offline

 

#142 23-12-2022 20:14:54

senior
Člen
Registrovaný: 14-10-2011
Příspěvky: 1381

Re: ESAB LKA 180

E-Ryc napsal(a):

Famater> A nebude problem v tom, ze u vsech ostatnich pajecek neni hrot vodive spojen se sekundarem? Zatimco u trafo ano, takze tim pripojenim na PE(N) jsi efektivne zrusil dvojitou izolaci te trafopajky a vyrobil vicemene (galvanicky neizolovany) autotransformator -  pres "elektrarnu" spojene primarni a sekundarni vinuti?
Ale jen hadam.

Nebude.

Offline

 

#143 23-12-2022 20:15:00

bobobo
Člen
Registrovaný: 20-08-2009
Příspěvky: 4483

Re: ESAB LKA 180

Tedy s novým uživatelem sem vnikl i Jirásek . Tak toto zde ještě nebylo . Proč tak dlouho žvaníte o h o v n u . Vem to s klidem osobně . Ve svém druhém příspěvky jsi mohl napsat pošli opravím a bylo na stránce vyřešeno . Zavání mi to trollem . Co myslíš šéfe ? Oprava nabídnuta , zamknout jako politiku . Již v tom nevidím nejmenší rozdíl . Horší jak žvanírna . Bože co nás to na Vánoce potkalo .

Offline

 

#144 23-12-2022 20:23:33

Joe66
Člen
Místo: Vranov nad Toplou-Presov
Registrovaný: 20-04-2010
Příspěvky: 1667
Web

Re: ESAB LKA 180

No co ? Sak som pisal,ze si das laskonku alebo susienku a bude sa citat  big_smile


Kutil s.r.o.

Offline

 

#145 23-12-2022 20:28:39

Radim
Člen
Místo: Severní Morava
Registrovaný: 17-12-2008
Příspěvky: 4746

Re: ESAB LKA 180

JaroslavPavel napsal(a):

#132 Radim...
Proč by se   u obvodu SG2524 používal ještě komparátor , když obvod sám generuje mrtvý čas a potom signál opačné polarity než je potřeba pro sepnutí hlavního spínacího ( výkonového ) tranzistoru .

komparátor mrtvý čas nebude generovat a hrozí pak kolize řídícího obvodu pro pohon motoru a brzdícího obvodu pro brzdu , kdy sepnou oba tranzistory ve stejném čase a nastane zkrat jejich obvodů a tedy i celého napájecího zdroje .

Potřebujeme aby deed time ( mrtvý čas fungoval ) a prvně se vypl MOSFET a se zpožděním o délce mrtvého času aby sepl brzdící obvod .
Takže řešení tohoto časování obvodů by mělo být čitelné z desky regulátoru , kdy autoři mívají tento problém kvalifikovaně vyřešen.

Teda vím,  že obvod SG3524 se dá nějakým  způsobem  přepnout na jednočinný,  kdy oba výstupní  stupně fungují  paralelně, ale režim,  kdy jeden  výstup  SG3524 funguje jako  PWM a druhý  nezávisle je vypnutý  a  sepne až  když  první  přestane pracovat jako  PWM regulátor a po dead time ,  neznám.

Editoval Radim (23-12-2022 20:40:29)

Offline

 

#146 23-12-2022 20:33:51

JaroslavPavel
Člen
Registrovaný: 03-07-2017
Příspěvky: 399

Re: ESAB LKA 180

Pane, jste jistě dobrý manažer a proto konstatuji , že deska ESAB je po použití postupu jak jste sdělil v podstatě opravená. Takže už na ní není co řešit .

Zajímavý je ovšem Váš rozbor efektivity práce a proto jsem napsal níže uvedený text.

Vámi zaměstnávaný člověk stihne za pracovní směnu spravit čtyři stroje  , no vy jste zapomněl , že musí vyměnit všechny kondenzátory elektrolytické , taky by měl vyměnit ostatní a to podle materiálu a podle napětí , déle pak všechny polovodiče výkonové přednostně a diody , ve spínacích zdrojích hlavně ty s parametrem Fast .

No musím uznat , že sice ušetříte na platu opraváře , ale musíte mít obrovský sklad materiálu a to ještě ten co nemáte musíte objednat a i z Anglie mi materiál vozí nejdříve druhý den , takže ta obsluha bude pokračovat ne té opravě ještě druhý den a to skládáním a přezkušováním zdroje . Nedej bůh když bude mít impulsní trafo zpětného nebo i přímého měniče závitový zkrat a to mívají dost často , tak součástky hlavně výkonové jsou znovu odpáleny a obsluha začíná s opravou od demontáže znovu . Jo a obvody jako Tina a SG a UC jsou blbuvzdorné , tak se vypnou a čekají na opravu okolí ....ale vy je stejně vyhodíte jako vadné
Takže už neudělá osm strojů za den ale z bídou dva .
Plat mu dáváte zřejmě dobrý , tak mě to vede k myšlence, že bych pro Vás mohl dělat .
Já budu sice pomalý , jak jsme se dohodli , ale i za poloviční nebo třetinový plat -- úhradu a to na fakturu , tedy sociální a zdravotní si zaplatím sám tak se mi pro Vás vyplatí dělat . Vám se zase vyplatím vzhledem ke své láci za práci . Akorát PPL budete muset hradit jak do tak z Prahy . Je to jen 350 km. jedna jízda , takže když by perioda dovozu odvozu byla jedenkráte do měsíce , tak to "balení" máte převezeno ke mě a zpět velmi levně .
Co Vy na to plácneme si .


20 pracovních dní kráte dva zdroje za den je obrat čtyřiceti spínaných zdrojů měsíčně.

Zkuste se zamyslet nad nabídkou , abych věděl jakéže to spínané zdroje opravujete .
Naposled jsem dělal spínaný zdroj pro Fotovoltaickou elektrárnu dodané firmou UPS a vyrobené v Italii. Před tím jsem dělal regulátor 60kW centrály , záložního zdroje z ČSLA  zásob , pro napájení dobytka vodou  a dojícího zařízení na farmě .  Záložní zdroj spouštěla obsluha bez prostudování návodu a vyhořel řídící blok a to tak že se tavil i keramický materiál na předřadných odporech .

Nevím jestli bych při takové práci obstál jako výměnkář , dovedete si představit , kdyby při zkoušce opět začal hořet regulátor , jaká je v tom stroji energie ., co  je schopna ta energie  napáchat .

Pane přemýšlejte o nabídce směrem ke mě .

Mám takové tušení , že bychom mohli spolupracovat ........ První pokus ......kolik jste ochoten zaplatit za schéma regulátoru o kterém právě vedeme řeč jsem ochoten jej Vám vyrobit to  pro případ , kdyby způsob výměnkář neuspěl .

Pán mi pošle desku , já z ní udělám schéma a pošlu ji i se schématem Vám k opravě .  Co vy na to ?

Editoval JaroslavPavel (23-12-2022 20:44:34)

Offline

 

#147 23-12-2022 20:44:02

habaso
Člen
Registrovaný: 12-06-2020
Příspěvky: 149

Re: ESAB LKA 180

JaroslavPavel napsal(a):

Pane, jste jistě dobrý manažer a proto konstatuji , že deska ESAB je po použití postupu jak jste sdělil v podstatě opravená. Takže už na ní není co řešit .

Je to možné.

A k tomu zbytku Vašeho textu, Vy zapomínáte na to, že majitel při pokusu o opravu svářečky nějak docílil toho, že mu přehřátí výkonných rezistorů odpařilo jejich nápisy. V tohoto mu pálil i MOSFET a IC. U rezistorů se u jednoho z nich vyjádřil, že "sice nesvítil, ale"...

Vážně byste ponechal v desce součástku, co prošla "nesvítil, ale nápis z něj teplem zmizel"? Problém je, že i když to bude vše fungovat po výměně jedné vadné součástky, tak tam jich je několik "teplem načatých". A víme to o nich.

A ne, nikdo se u nás neživí takovýmhle servisem, jen Vám na pár číslech ukazuji, jaký nesmysl je ohrožovat budoucí bezproblémový chod svářečky šetřením na výměně součástky za 30Kč u které nemáte k dispozici vůbec žádný způsob, jak zjistit, jak moc je už předpoškozená tím teplem a jakou tedy bude mít v zařízení další životnost.

BTW My děláme elektroniku, např. šifrovací moduly pro čtení čipových karet jako příslušenství Apple telefonů a tabletů, náš problém je někde jinde, než v energii v něčem 60kW. Pokud opravujeme spínací zdroje, tak to je ze zájmu a jsou to zdroje pro servery, PC a podobně, například fotky co sem jsem dával byl zdroj Xerox kopírky. Ekonomicky to nedávalo smysl, bylo to opravované ze zájmu. A při opravách tohoto (a většině zdrojů do PC prodloužíte životnost a opravíte je jen výměnou všech elytů) dává smysl vyměnit než ten jeden nafouklý či měřitelně špatný rovnou všechny i preventivně.

Editoval habaso (23-12-2022 20:56:03)

Offline

 

#148 23-12-2022 20:54:25

JaroslavPavel
Člen
Registrovaný: 03-07-2017
Příspěvky: 399

Re: ESAB LKA 180

Nejchoulostivější na teplo jsou polovodiče a ty se nesmí přehřát přes 155°C , pokud se tak stalo , jejich PN přechody zmizly . Pokud jsou to bipolární tranzistory tak u nich teplo zvýšilo zbytkové proudy Icbo a ICE0 , to jsou měřitelné údaje a tedy mi ukáží který tranzistor mám vyhodit a zase nemusím vyhazovat všechny .
Pokud jde o diody tak jejich svod se hledá blbě , ale k tomu právě slouží dynamická provoz regulátoru a tam nalezu změněné tvary signálů ( osciloskopem ) a tedy nastane výměna tam působících diod a kondenzátorů a ostatních si zase nemusím všímat .

Změřit impulsní trafa chce použití  a měření rezonančního tlumeného děje , což je přiměřeně pracné ale zachrání to dost výkonových a tedy drahých součástek , takže je vhodné to takto měřit .

Co víc ? to ukáže potřeba toho co tam měřit ..

Pokud je součástka evidentně poškozená teplem , tak je samozřejmé, že ji vyměním , i když je v době měření funkční . Nestojím o to , aby ke mě klient přišel příliš brzo s tou stejnou mašinou .

Dokonce pokud to jde do takových míst dávám součástky s větším výkonem a oplatí se mi to ...tolik se ta oprava neprodraží.

Editoval JaroslavPavel (23-12-2022 20:59:08)

Offline

 

#149 23-12-2022 20:59:55

habaso
Člen
Registrovaný: 12-06-2020
Příspěvky: 149

Re: ESAB LKA 180

JaroslavPavel napsal(a):

Pokud jde o diody tak jejich svod se hledá blbě , ale k tomu právě slouží dynamická provoz regulátoru a tam nalezu změněné tvary signálů ( osciloskopem ) a tedy nastane výměna tam působících diod a kondenzátorů a ostatních si zase nemusím všímat. Změřit impulsní trafa chce použití  a měření rezonančního tlumeného děje , což je přiměřeně pracné ale zachrání to dost výkonových a tedy drahých součástek , takže je vhodné to takto měřit. Co víc ? to ukáže potřeba toho co tam měřit ..

O tomhle toho víte mnohem víc, než já. Já bych to také uměl změřit po nastudování, ale pro 150 Kč za všechny součástky je to zbytečné. Je to jiný svět, než 60kW střídač u fotovoltaiky. smile

Editoval habaso (23-12-2022 21:02:20)

Offline

 

#150 23-12-2022 21:07:01

Radim
Člen
Místo: Severní Morava
Registrovaný: 17-12-2008
Příspěvky: 4746

Re: ESAB LKA 180

Koukám,  zase hádání  o  ničem. V průmyslu  v práci   jsem  nikdy neviděl,  že by opraváři seděli vedle stroje a na desce vytažené  ze stroje měníli  nějaké  součástky.  Zatímco  stroj  stojí, obsluze nabíhají  prostoje,  jinde na jiných  pozicích  linky třeba musí  spouštět  nouzové  chlazení  nebo  vyvážení  dílů  ze zařízení,  jinak  by se překročily technologické  limity a celá  série zpracovávaných  součástek by se dala do  zmetků atd. A to  ani  nemluvím  o  tom,  že až  se linka spustí,  zase se ty vyvezené technologické  zařízení  musí  materiálem  zase postupně zavážet,  čímž se generují  další  prostoje.  A každá  minuta takového  prostoje,  kdy by tam  opravář měnil  odpor za 10 korun, stojí  tisíce,  ale u  velké  linky to  klidně mohou  být statisíce.
Dneska se opravuje tak,  že opravář  přijde ke stroji,  vstoupí do  opravárenského  režimu,  přečte si  chybové  kódy a poruchy a podle toho  mění díly.  Nebo  v horším  případě leze do  stroje,  dívá  se,  co  je kde zničeného  a spáleného nebo  měří v nějakém  zkušební m provozu  ve spolupráci  s obsluhou.  A okamžitě mění  to,  co  je chybné,aby stroj  co  nejrychleji fungoval.
A pokud jsou  v té  fabrice nějaké klasické  normy jakosti,  třeba normy automotive,  tak  ty desky PCB jdoui  auitomaticky do  šrotu  celé,  jak  jsou,  protože na opravené  desky mu  nikdo  nedá  certifikát jakosti. A když  mu na desku,  kde něco  pájel  nikdo  nedá  certifikát jakosti, tak za a  když  ta pájená  deska za půl  roku  klekne a vyrobí  se kvůli  tomu  zmetky,  je to potom  za ním.  A za b,  pokud do  fabriky přijde kontrola kvality,  třeba od odběratele,  automobilky a objeví ve strojích údržbářem zbastlenou  necertifikovanou  část  výrobního  zařízení,  může celá  firma okamžitě přijít o  certifikaci  jakosti  a tím  pádem automaticky i  o  tu  výrobu.

Editoval Radim (23-12-2022 21:10:49)

Offline

 

Zápatí

O SvarFóru + Pravidla

Powered by PunBB

SVARFORUM diskusní fórum o svářečkách, svářečích a svařování kovů i plastů.
Ze skupiny SVARWEB - portál vašeho svařování.   2005 Notice: Use of undefined constant Y - assumed 'Y' in /DISK2/WWW/svarforum.cz/www/forum/footer.php on line 139  -  2026


Doporučujeme:  Dětské montérky a maskáče