SVARFORUM.cz - forum o svářečkách a svařováníChcete-li přispívat do fóra, musíte se zaregistrovat ! Navštivte také: SVAR INFO |
|
Nejste přihlášen(a)
Dobrý den, mám doma tenhle stroj - žádná extratřída ale na to moje "domácí svařování" zatím dostačuje. Při svařování na vyšší stupeň se po chvíli drát přestává vysouvat plynule a tomu odpovídá i zvuk podávacího motorku - je jakoby "trhaný". Přisuzuji to tomu, že když se trafo ohřeje přestává dávat dost proudu pro pohon motorku. Pokud oddálím hořák od svaru - přestanu svařovat - ale nechám stisklý spínač na hořáku, chod motorku se ustálí a drát se okamžitě po ukončení oblouku vysouvá opět plynule. Uvažuji o samostatném napájení posuvu a chci se Vás zeptat jakým způsobem to nejlépe vyřešit. Způsob, tenhle šunt hodit do škarpy a koupit pořádný stroj zatím nebudu realizovat
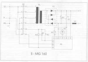
Přikládám i pár obrázků ovládací elektroniky a schéma. Děkuji za odpovědi a nápady.
P.S. Vedení drátu je ocelovým bowdenem.


Offline
Někdy se na vyšší proud uslabších svářeček přehřívá hubice hořáku hlavně průvlak
a přesně takhle se to chová, ale je to jenom jedna z možných příčin cukání drátu.
Offline
Je to běžný jev, neboť napětí na oblouku značně kolísá a jelikož je z tohoto napětí spínaný motor posuvu, kolísá taky. Je to částečně výhoda, velikost posuvu s nějakým posuvem kopíruje oblouk a tím stabilizuje, oddělené napájení to moc neylepší, zdroj není moc stabilní.
Dá se to udělat tak, že na + a - výk. usměrňovače se ponechají pouze výkonové vodiče a varistor, ostatní se přesune na nové napájení 24v s usměrňovačem.
Powermat je varmig od slovinské firmy varstroj, jsou to do jisté míry okopírované stroje T.I.P. a lze je osadit i vyhlazovacím kondenzátorem, např. u strojů telwin a einhel toto vyhlazení nefungovalo, resp. regulace, šla pořád naplno.
Offline
switch napsal(a):
Dobrý den, mám doma tenhle stroj - žádná extratřída ale na to moje "domácí svařování" zatím dostačuje. Při svařování na vyšší stupeň se po chvíli drát přestává vysouvat plynule a tomu odpovídá i zvuk podávacího motorku - je jakoby "trhaný". Přisuzuji to tomu, že když se trafo ohřeje přestává dávat dost proudu pro pohon motorku. Pokud oddálím hořák od svaru - přestanu svařovat - ale nechám stisklý spínač na hořáku, chod motorku se ustálí a drát se okamžitě po ukončení oblouku vysouvá opět plynule. Uvažuji o samostatném napájení posuvu a chci se Vás zeptat jakým způsobem to nejlépe vyřešit. Způsob, tenhle šunt hodit do škarpy a koupit pořádný stroj zatím nebudu realizovat
Přikládám i pár obrázků ovládací elektroniky a schéma. Děkuji za odpovědi a nápady.
P.S. Vedení drátu je ocelovým bowdenem.
http://www.jpeg.cz/images/531_schema_tn.jpg
http://www.jpeg.cz/images/387_IMGP3688_tn.jpg
http://www.jpeg.cz/images/938_IMGP3695_tn.jpg
co takhle skusit častecnou prestavbu na řídíci jednotku omicron ktc 112 jeto celkem snadne a splehlice řešeni i z hořakem na pevno...http://www.svarforum.cz/forum/viewtopic.php?id=1483 pravdaže utechto svařeček je potreba často menit špičku v hořaku tyto hořaky nejsou staveny na vyší svarecí proudy než 120A pak se spička zapeče a je ji nutno vymenit jedno rešeni je použití spiček tak zvane težke provedeni taky jsem je používal u hořaku na pevno .. pak jsem ho stejne vymenil za hořak z euro ty hořaky napevno je potreba chladit vyším prutokem plynu u co2 to neni zas takovy problem přidat o 1l plynu na vic misto 6-7 litru za MIN 7-8L za minutu. pokud nepomuze tak častečna přestavba tohoto stroje jak jsem to udelal ja ted jsem nadmiru spokojeny... vařilo to velice dobre i z origo trafem einhell jajjsem to přetižil a trafo se spalilo...
Editoval alll (29-09-2010 05:24:10)
Offline
Tento stroj ma dokonca cievku drôtu na ležato.
Viac info tu: http://www.svarbazar.cz/phprs/view.php? … 2009071501
Videl by som to na ten pruvlak , ja mam tiež powermat , ale trochu iny a keď mi to spravi ,jednoducho pruvlak zahodim a nasadim novy.
Niekto to ešte čisti tenkym vrtačikom ,ale ja to rovno zahadzujem.
Vo vnutri sa spravi gulička a pri zahriati to ten drôt blokuje , ako to už bolo popisane vyššie.
Offline
Otázka pre m.evil
Vedeli by ste poradiť, prípadne dať link, kde som získal viac info ohľadne tunningu S-Pover 160 ? Niečo som sa dočítal o kondenzátoroch, ale rád by som získal viac info. Ďakujem Palo
Offline
Kondenzátory sa napoja paralelne za usmerňovač (tie dve veľke hliníkové chladiace dosky na usmerňovači).
Ja tam mam 3 x po 10 000uF / 90V
Na to sa ešte paralelne napoji vybijaci odpor kolo 820 ohm / 10W
Pre riadiacu jednotku sa pridá osobitný usmerňovač (preto že kondenzátory zdvihnu napätie a nemusela by to prežiť).
Upravil som schému powermatu , maš to tam všetko zakreslené červenými čiarami.![]()
Original schéma je o pár príspevkov vyššie , tak si porovnaj rozdiely .
Editoval m.evil (31-03-2011 00:01:46)
Offline
m.evil napsal(a):
Kondenzátory sa napoja paralelne za usmerňovač (tie dve veľke hliníkové chladiace dosky na usmerňovači).
Ja tam mam 3 x po 10 000uF / 90V
Na to sa ešte paralelne napoji vybijaci odpor kolo 820 ohm / 10W
Pre riadiacu jednotku sa pridá osobitný usmerňovač (preto že kondenzátory zdvihnu napätie a nemusela by to prežiť).
Upravil som schému powermatu , maš to tam všetko zakreslené červenými čiarami.
http://www.svarforum.cz/forum/uploads/t … wermat.jpg
Original schéma je o pár príspevkov vyššie , tak si porovnaj rozdiely .
Nazdar pomôže to ??
zvýšil sa výkon tej zváračky ?
koľko A si použil diódy do toho mostíka ?
Offline
Jasne že to pomôže.
Ja som použil cely mostik ten štvorcovy cca 10A.
Motorček nema veľky odber , ale nechcelo sa mi to skladať z diod , tak som tam dal rovno mostik....
Editoval m.evil (29-03-2011 20:31:02)
Offline
aha tie kondíky ,,zvýšia,, výkon a ten diódový mostík je tam načo ? aby sa motorček plynule točil ?? trošíčka popis
Offline
konndiky zvyší svařecí napetí pak by se motorek posuvu točíl moc rychle a nešel by regulovat proto tam pan m.evil dal ten diodovy mustek aby řídici jednotka nedostavala vysoke napetí.. po zvyšení napetí pujde i svařet na 1. svařecím stupni svařečky uplne nadherne i tenke plechy..
Offline
V podstate sa to správa tak , ako by si posunul regulačne stupne.
Na jednotke to bude zvárať ako teraz na dvojke , dvojka zvára ako trojka , trojka zvára ako štvorka a štvorka je s toho najlepšia (zvára ako 5-ka , ktora tam v skutočnosti ani neni ).
Prida ti to v postate ešte jeden stupeň.
Offline
Ach jo , to jsou nesmysly . Ve skutečnosti by stačily přidat diody dvě , ale s můstkem to jde také . Regulátor nereguluje proto , že ke své fci potřebuje střídavé -tepavé napájení . Proč asi ?
Offline
no m.evil prišiel som na to že mam inú zváračku http://zvaracky.eu/images/zvaracky/160.jpg ako máš ty
dá sa to tvoje vylepšenie použiť aj na nej ?
a aké sú riziká alebo neskráti sa tým životnosť ?......
dali by ste mi sem povodni schému ??
mohli by byť tie diódy 2 A asi nie čo ? akurát mam doma tak ti by som použil
tak ak to bude zvárať tak ako hovoríš tak není o čom uvažovať !
Editoval marttin (31-03-2011 15:35:13)
Offline
Toje celkem jedno kastle jina pajšl stejny včetne zapojení...
Offline
Našiel som v tom vrchnom zapojeni menšiu chybičku ,ale už je to opravene ![]()
Tu je ta pôvodna schéma:![]()
Je to schéma original k tvojej zváračke.
Inak na to ani schému netreba.
Odpojiš napajanie riadiacej jednotky od zvaracieho usmerňovača napojiš na to maly usmerňovač a ten usmerňovač napojiš na výstup zváracieho trafa na striedave napätie.
Kondiky napojiš paralelne na výstup zváracieho usmerňovača spolu z vybijacim odporom a to je všetko.
Ak maš nejake menšie trafo po ruke cca 24V / 80W , nemusiš riadiacu jednotku napajať zo zvaracieho trafa ale rovno z neho.
Offline
bobobo napsal(a):
Ach jo , to jsou nesmysly . Ve skutečnosti by stačily přidat diody dvě , ale s můstkem to jde také . Regulátor nereguluje proto , že ke své fci potřebuje střídavé -tepavé napájení . Proč asi ?
jake stridave napetí, když je na pajen rovnou z vystupu svarečky a to z usmernovače.... take jsem ho tak mel zapojen ted je motorek napajen inpulzně...
Editoval alll (31-03-2011 06:32:21)
Offline
Jak píše zdeště , tak alle piš , někdy je to k smíchu , někdy k pláči , ale ty neznáš nejzákladnější věci od elektroniky , kdyby jsi nebyl líný , zadáš do google tepavý proud a máš čtení na dva dny , aby jsi neztrácel čas , něco jsem ti vybral . Mohl by jsi se něco o elektronice přiučit , když chceš radit . Raď v tom , co umíš , nejspíše praxi svářet . To nejspíš neumím tak dobře jako ty , proto taky svářečům neradím jak svářet , ale elektronikou se živím . http://www.edunet.souepl.cz/~weisz/diln … zdroj1.php
Offline
All: možná mě pan bobobo zase napomene, ale abych vám to vysvětlil jednodušeji. Je to sice origo zapojené na usměrňovač sv. trafa, ale není tam kondenzátor, tak je to pulsní proud. U klasických zdrojů se používá trafo, usměrňovač a elektrolitycký kondenzátor. Ten plní funkci filtru a pulsní proud vyhlazuje. Nebo se opět pletu bobobo?
Offline
Je to tak a právě proto lze pulzní proud regulovat jednoduše tyristorem , zatímco vyhlazený nee .
Offline
bobobo omlouvam se bylato ma chyba jsem nedostatečne informovan, stranku jsem si dukladne pročetl tak už aspon pro příšte budu vedet.. abych tu zas nepsal bludy..
Offline
môžem použiť tieto ? http://www.gme.sk/sk/-p123-398.html
Offline
skuste se podivat zda by jste sehnal na vyší teplotu a šroubovací kontakty...
Offline
niečo takéto by nemohlo byť ? 100v 47 000µF 105°C
Offline
ano mohl..
Offline