SVARFORUM.cz - forum o svářečkách a svařování


Chcete-li přispívat do fóra, musíte se zaregistrovat !


Navštivte také:      SVAR INFO
Reklama na SVARFORUM

Nejste přihlášen(a)

SVARINFO - magazín o praktickém svařování


#1 03-10-2012 08:15:33

bobobo
Člen
Registrovaný: 20-08-2009
Příspěvky: 4562

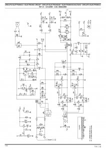
Colt 130-150

trochu schemy
http://www.svarforum.cz/forum/uploads/thumbs/1325_11_cemont125-130a-3.jpg
http://www.svarforum.cz/forum/uploads/thumbs/1325_10_cemont125-130a-2.jpg
http://www.svarforum.cz/forum/uploads/thumbs/1325_9_schema_cemont125-130a.jpg

Offline

 

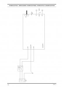
#2 11-05-2013 17:46:01

Velorex
Člen
Registrovaný: 11-05-2013
Příspěvky: 8

Re: Colt 130-150

http://www.svarforum.cz/forum/uploads/thumbs/4814_0002.jpg


http://www.svarforum.cz/forum/uploads/thumbs/4814_0003.jpg

http://www.svarforum.cz/forum/uploads/thumbs/4814_0004.jpg

http://www.svarforum.cz/forum/uploads/thumbs/4814_0005.jpg

http://www.svarforum.cz/forum/uploads/thumbs/4814_0006.jpg

http://www.svarforum.cz/forum/uploads/thumbs/4814_0008.jpg

http://www.svarforum.cz/forum/uploads/thumbs/4814_594_14_riadenie.jpg



Toto patří ještě k tomu Bobobo schematu invertoru.Tyto osazené desky se součástkama koupilo více firem a montovali je do skříní a prodávali pod různými obchodními názvy jako SAXO 1300,SAXO 1500,(výroba Slovensko) nebo Cemont Colt 150,Puma 150,nebo Italové Air Liquide Welding MMS-Units-125-130A.Pořád je to ta samá elektronika.

Editoval Velorex (11-05-2013 18:06:41)

Offline

 

Zápatí

O SvarFóru + Pravidla

Powered by PunBB

SVARFORUM diskusní fórum o svářečkách, svářečích a svařování kovů i plastů.
Ze skupiny SVARWEB - portál vašeho svařování.   2005 Notice: Use of undefined constant Y - assumed 'Y' in /DISK2/WWW/svarforum.cz/www/forum/footer.php on line 139  -  2026


Doporučujeme:  Dětské montérky a maskáče